79岁的李奶奶最近有个“难言之隐”:她的左腿总是发凉、发麻,颜色也变得苍白。更让她害怕的是,走上几十米,小腿就又酸又胀,疼得必须停下来休息一会儿才能继续走。她一直以为是“老寒腿”,穿了最厚的棉裤也无济于事。
直到最近,她的左脚第三个脚趾开始发紫、发黑,传来一阵阵剧痛,晚上根本无法入睡。家人这才意识到问题的严重性,赶紧将她送到医院。
经过检查,结果令人心惊:下肢动脉硬化闭塞症,她的左腿主干血管几乎被堵死了!脚趾发黑正是肢体坏疽的征兆,如不及时处理,等待她的很可能就是截肢。
什么是下肢动脉闭塞?


如果把我们的血管比作公路网,那么动脉就是负责输送氧气和营养的“生命高速公路”。下肢动脉闭塞,就是这条高速公路发生了严重的“堵车”——动脉血管壁因为粥样硬化斑块沉积,导致管腔狭窄甚至完全堵塞。
血液流不下去,腿脚的组织和细胞就会“缺氧窒息”,从而出现一系列症状,最终可能导致组织坏死(坏疽)。
尤其提醒: 很多老年人像李奶奶一样,把早期症状误认为是“风湿”、“老寒腿”或“缺钙”,从而错过了最佳治疗时机。


二
下肢动脉闭塞的四个信号!
这个病的发展并非悄无声息,它会发出明确的“预警信号”。请您对照一下,是否出现过以下情况:
发凉、麻木: 一条腿总是比另一条腿冰凉,感觉麻木,像有蚂蚁在爬。
间歇性跛行: 这是最典型的信号!行走一段距离后,小腿肌肉出现酸胀、疼痛甚至痉挛,必须休息片刻才能缓解,然后可以继续行走,如此反复。
静息痛: 病情加重后,即使不走路,脚部也会出现难以忍受的疼痛,尤其在夜间平躺时更为剧烈,下垂腿部后可稍微缓解。
组织溃烂、坏疽: 这是最危险的阶段。脚趾或脚部出现发紫、发黑,皮肤破溃后难以愈合,形成坏疽,如同李奶奶一样。
医生强调: 一旦出现静息痛或肤色改变,就意味着腿已经处于缺血崩溃的边缘,必须立刻、马上就医!
介入治疗为79岁奶奶“再造通道”
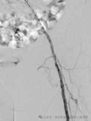
支架前造影图


面对李奶奶的危急情况,截肢似乎是无奈的选择。但我们的医疗团队决定为她打一场“保腿之战”!我们为她实施了 “下肢动脉造影+球囊扩张成形术”。
这是什么技术?
可以理解为一场针对血管的“微创疏通作业”。我们通过患者大腿根部一个仅有针眼大小的穿刺口,送入一根纤细的导管,直达被堵塞的下肢动脉。然后,像给轮胎打气一样,用特制的球囊扩张被堵塞的血管,撑开狭窄处,恢复血流通畅。
治疗效果如何?
手术非常成功!术后当天,李奶奶就感觉那条“冰腿”变暖了,折磨她许久的静息痛也大大减轻。
虽然发黑的脚趾未能保住(进行了小范围截趾),但通过后续的慢创修复治疗,我们成功地保住了她的整条腿和脚的大部分功能!她终于可以再次下地行走了。
介入治疗的优势: 创伤小、恢复快、效果立竿见影,特别适合高龄、身体状况差的老年患者。

术中腘窝动脉穿刺,导丝在髂动脉会师


术中支架造影


支架后造影图
一
如何守护我们的下肢血管?
下肢动脉闭塞的高危人群包括:糖尿病患者、高血压患者、高血脂人群以及长期吸烟者。
守护我们的腿,需要做到:
积极控制“三高”:严格管理血糖、血压、血脂是根本。
坚决戒烟:烟草是血管的头号杀手。
健康饮食与适度运动:低盐低脂饮食,坚持散步等有氧运动,促进侧支循环建立。
定期自查:经常触摸足背动脉搏动(脚背中部),感受双腿温差,发现问题及时就医。
保护双脚:避免任何形式的外伤,哪怕是一个小剪甲伤,都可能因缺血不愈合导致严重后果。

李奶奶的故事是一个警示,也是一个希望。下肢动脉闭塞虽然凶险,但绝非绝症。
关键在于早发现、早诊断、早治疗! 不要再把“走不远路”简单归咎于年老。一旦出现“间歇性跛行”等信号,可到我院介入医学科就诊,通过彩超等无创检查即可初步筛查。
保住一条腿,就是保住晚年的生活质量与尊严!